Перейти к содержанию

Машина долго греется.Термостат? Как победить?


Рекомендуемые сообщения

Опубликовано

если вырезать из коробки  с надписью мерседес то от оригинала не отличить будет)))

Опубликовано

В смысле обычную картонку вырезать и  в ставить перед радиатором!?))))))))))))))))

Ага.

  M609TH199.png     

  Счастье есть,оно не может не есть

Опубликовано

Я вот думаю что картонки вообще ни к чему. Вчера специально проверял. При исправном термостате что с картонками ,что без машина греется одинаково. А при движении на больших скоростях или хорошей нагрузкой еще эти картонки могут сыграть злую шутку.

Опубликовано

В МСК мы больше стоим чем ездим,про скорости и нагрузки зимой вообще промолчу.

  M609TH199.png     

  Счастье есть,оно не может не есть

Опубликовано

Картонка всю жизнь всех спасала, а особенно дизиля!!!)))))) так что она злую шутку только весной может сыграть))))


Я сторонник того, чтоб ваще ни чего не вставлять и ни чем не укрывать, меня напрягают стандарты от которых движка долгогреется!!!


у меня второй авто ауди А3, так эта падла ваще не греется пока минимум минут 30 не поездишь по городу!!! И в паспорте у нее прописанно, что ехать сразу и ни какого холостого прогрева!!! в европе за это большие штрафы!!! 

Опубликовано

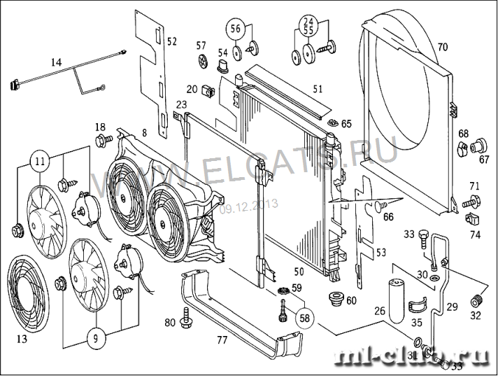
антифриз меняется очень легко: пробку с расширительного открутил и внизу слева на радиаторе краник маленький (см рисунок поз 58) открыл и усё слил!


кортонка нафиг не надо, проверено замеряно сотни раз и  так и так


единственное что делаю : между шумоизоляцией капота и металлом запихиваю сплэн 8 мм размером 60см на 60см.

Зачем не знаю!? Так теплее наверное!

post-5370-0-45392600-1386606969_thumb.pn

///

Опубликовано (изменено)

А чем она может спасти?!. Термостат закрыт ож гоняет по малому кругу,пока температура у дизеля  до 87, не подымится,он не начнет открываться и радиатор будет холодным!!! Его хоть сотней кортонок облажи быстрее греться двс не станет! На доисторических машинах стояли жалюзи на радиаторе,но и то из-за того что привод вентилятора осуществлялся через ремень от коленвала. Сейчас есть датчики включения вентилятора,на дизеле вообще терморегулятор стоит на радиаторе.Так что надобность в кортонках пропала.Вчера специально проверил. Что бы быстрее грелось переводите переключатель в положение забор воздуха из салона.

Изменено пользователем vvr
Опубликовано

+100500

///

Опубликовано

А чем она может спасти?!. Термостат закрыт ож гоняет по малому кругу,пока температура у дизеля  до 87, не подымится,он не начнет открываться и радиатор будет холодным!!! Его хоть сотней кортонок облажи быстрее греться двс не станет! На доисторических машинах стояли жалюзи на радиаторе,но и то из-за того что привод вентилятора осуществлялся через ремень от коленвала. Сейчас есть датчики включения вентилятора,на дизеле вообще терморегулятор стоит на радиаторе.Так что надобность в кортонках пропала.Вчера специально проверил. Что бы быстрее грелось переводите переключатель в положение забор воздуха из солона.

Радиатор не так обдувается на ходу, да и когда стоит все равно теплопотеря не та с картонкой!!

я вырос на севере нашей страны и уж точно знаю как картонка спасает

вы можете легко проверить - даже половину радиатора закрыть, гораздо теплее будет из печки дуть!!!

Опубликовано

Объясните чем? Термостат закрыт,радиатор холодный,что спасает картонка?

Опубликовано

При разогреве двигателя она не спасет 100% ))))))))))))))))))))))) я ж не утверждаю, что при разогреве спасает))))))

Опубликовано

Я тоже как неделю поставил картонку между радиаторами и укрыл двигатель, остывает медленнее и на скорости теплее

Опубликовано

Я тоже как неделю поставил картонку между радиаторами и укрыл двигатель, остывает медленнее и на скорости теплее

Привет землякам)))) у вас то без фанерки и укрытия движка тяжелее)))))) у вас похолоднее чем у нас и с ветрами по сложнее

Вот только зимы у нас нет нынче((((

Опубликовано

Уважаемые соседи,на Урале климат такой же. Переубеждать вас не буду,пусть будет картонка,может душу согреет! ;) Просто мне обясните чем в движении она спасает? :rolleyes:

Опубликовано

@vvr, Радиатор не сплошной, набегающий воздух все равно охлаждает мотор, чем меньше потот через радиатор, тем теплее мотору

Александр

ML-270, рест. 2004г., WDC1631131A510652 E473MO178.png

Опубликовано

Уважаемые соседи,на Урале климат такой же. Переубеждать вас не буду,пусть будет картонка,может душу согреет! ;) Просто мне обясните чем в движении она спасает? :rolleyes:

Есть такая штука в авто - радиатором обзывается!!! так вот, эта штука служит для охлаждения охлаждающей жидкости!! а зимой эта жидкость гораздо лучше остужается!!! насколько я знаю, печка прямым текстом зависит от температуры охлаждающей жидкости!? А если картоночкой закрыть радиатор, то он не буде обдуваться холодным воздухо!? поправьте меня , если я не прав!!!

Опубликовано

Да все правильно написано,одной вещички не хватает в этой схеме под названием термостат. У машины 2 контура большой и малый. Для простоты восприятия,расмотрим малый контур двс-регулятор температуры печки-печка,большой контур двс- регулятор-печка-термостат- радиатор. Регулировку малый- большой контур осуществляет термостат(кран кухоного смесителя). Греется сначало малый контур,но так как на улице холодно мы ставим регулятор в положение жарко,кран печки открывается полностью,тепло двс через радиатор печки отдается в салон и чем он больше,а на улице холоднее тем процесс работы на малом контуре дольше. Нагрели салон,едем дальше,температура начинает расти и достигнув 87 гр на дизеле начинается открытие термостата,горячая ож сбравается в радиатор,а холодная поступает в малый контур,но как только холодная ож достигнет термостата,он закроется и начнет работать снова малый контур. Но так как при температуре 87 термостат только начинает открываться,а полное открытие у него вроде 102 гр,смешивание холодной и горячей ож происходит плавно. При низких температурах большой контур может вообще не открыться,охлаждение двс будет осуществляться за счет теплоотдачи печки,т.к обдувается радиатор печки забортгым холодным воздухом.Вот примерно так работает система,при исправном термостате наличие картонок ни каго эфекта не приносит,за исключением если термостат не исправен и плотно не закрывается,либо вообще не закрывается. Зимой работу термостата легко проверить,если датчик температуры показывает чуть ниже 80 на дизеле и 90 на бизинке,а радиатор при этом теплый значит термостат работает не корректно и тогда кортонки немного спасут дело. :rolleyes:

Опубликовано

Я вот что то сильно сомневаюсь, что термостат открывается при 87гр!!!! я знаю, что при 50гр термостат начинает приоткрываться!!! с учетом износа и годов авто, то вообще сильно сомневаюсь что он держит до 80гр!!! даже с учетом всех ваших логик, то можно подумать, что при -40гр, а на скорости все -50, термостат не пускает жидкость по большому кругу!! и от сюда возможно перемерзание радиатора и патрубков большого круга!!! В книжках пишут при 87 происходит полное открывание термостата, я думаю он приоткрывается при 50гр!!! я не утверждаю это, а рассуждаю просто!!! Вы попробуйте недельку поездить с картонкой и увидите как печка будет греть гораздо жарче нежели без нее)))) 

Опубликовано

Термостат открывается на 87 дизель ,полное открытие 102гр,у бензинки точно не знаю,вроде 92-95гр полное открытие 100-110гр врать не буду ,не помню. Если у вас термостат открывается на 50 то пора его и выкинуть!!! И при -40 и на скорости он возможно и не откроется совсем,все зависит в каком положение будет находиться регулятор (кран) печки если на максимуме возможно и не откроется совсем. Я проверял ваши доводы,у меня стоит новый термостат,ни какой разницы что с картонкой что без нее,хоть день катайся хоть неделю! Вот если у вас термостат открывается на 50,тогда картонки вас и спасают!!!! Попробуйте сменить термостат и сразу поймете о чем я говорю. Желательно на термостате не экономить и купить оригинал!!! Еще один момент что бы машина быстрее прогрелась,после запуска нажмите кнопку забор воздуха из салона,замените салонный фильтр или на зиму вообще уберите,машина начнет нагреваться в 2 раза быстрее. Поменяйте термостат,на двс положте утеплитель и будет вам счастье! У нас климат с вами схож мы соседи!

Опубликовано
@SHV,

@vvr, Радиатор не сплошной, набегающий воздух все равно охлаждает мотор, чем меньше потот через радиатор, тем теплее мотору

совершенно с вами согласен, холодные поток воздуха при движение обдувает радиатор, и радиатор , и тем остужает радиатор
Опубликовано

Я тоже как неделю поставил картонку между радиаторами и укрыл двигатель, остывает медленнее и на скорости теплее

Привет землякам)))) у вас то без фанерки и укрытия движка тяжелее)))))) у вас похолоднее чем у нас и с ветрами по сложнееВот только зимы у нас нет нынче((((
привет!! Да ветра это пипец, но и с зимой проблемы то -15-20, то -2, но зима ещё свое возьмет

Кто хочет укрывайте и ставьте картинки - фанерки кто не хочет и кому не помогает не ставьте, я лично поставил и укрыл

Т9 слова меняет))) имел ввиду фанерки

Опубликовано

@SHV,

@vvr, Радиатор не сплошной, набегающий воздух все равно охлаждает мотор, чем меньше потот через радиатор, тем теплее мотору

То что касается обдува двигателя,так набегающий поток холодного воздуха для горячего двс это как дробинка для слона,все равно что на кипящую воду дуть и надеятся что она совсем остынет.
Все верно набегающие потоки остужают радиатор печки и в зимний период печка может заменить большой радиатор!
Опубликовано

Ребята я вам пытался обьяснить что если вы ставите картонки и у вас мурзики начинают греться лучше,то проблема не в наличие картонок или их отсутствия,а проблема в некорректной работе термостата открывается раньше чем 87гр,закрывается не сразу или закрывается не плотно и т.д. ВСЕ это легко проверяется зимой при минусовых температурах,запустили машину дали ей немного прогреться ну скажем до 80 для дизеля,потрогали радиатор,если стал теплым выкидывай термостат смело!!! Ну если неохота что бы машина работала как положено,как ее сделал производитель,то картонки спасут! Каждый решает сам как ему поступить!

Опубликовано

Ребята я вам пытался обьяснить что если вы ставите картонки и у вас мурзики начинают греться лучше,то проблема не в наличие картонок или их отсутствия,а проблема в некорректной работе термостата открывается раньше чем 87гр,закрывается не сразу или закрывается не плотно и т.д. ВСЕ это легко проверяется зимой при минусовых температурах,запустили машину дали ей немного прогреться ну скажем до 80 для дизеля,потрогали радиатор,если стал теплым выкидывай термостат смело!!! Ну если неохота что бы машина работала как положено,как ее сделал производитель,то картонки спасут! Каждый решает сам как ему поступить!

да я ставлю картонку не для того чтоб он допустим с утра быстрее прогревался, а для того что приезде меньше охлаждался и были меньше тепло потери!
Опубликовано

да я ставлю картонку не для того чтоб он допустим с утра быстрее прогревался, а для того что приезде меньше охлаждался и были меньше тепло потери!

Да он и так холодный при корректной работе термостата при низких температурах наружного воздуха!!!Холод холод остужает7! Хотите уменьшите теплопотери закройте доступ холодного воздуха на радиатор печки!!!

Для публикации сообщений создайте учётную запись или авторизуйтесь

Вы должны быть пользователем, чтобы оставить комментарий

Создать аккаунт

Зарегистрируйте новый аккаунт в нашем сообществе. Это очень просто!

Регистрация нового пользователя

Войти

Уже есть аккаунт? Войти в систему.

Войти
×
×
  • Создать...

Важная информация

Мы разместили cookie-файлы на ваше устройство, чтобы помочь сделать этот сайт лучше. Вы можете изменить свои настройки cookie-файлов, или продолжить без изменения настроек. Условия использования