Перейти к содержанию

CDI 270 не заводится! Читать с первой страницы!


Рекомендуемые сообщения

Опубликовано

Китайские БМВ видел, а Китайские Мырсы нет.

 

Говоря языком героев одного известного фильма "ты его не видел, а он есть". Изучайте.

 

http://www.daimler.com/company/daimler-worldwide/asia

Перевел ссылку Адрес

Beijing Benz Automotive Co., Ltd.

№ 8 Бокс Rd.,

Пекин экономического и технологического развития зоны (BDA)

Пекин 100176

P.R. Китай

Телефон

Телефон: +86 10 6782 4888

Производство

Mercedes-Benz C-Class, E-Class (длинная Версия для китайского рынка), GLK, 4-цилиндровых двигателей (3C производство и сборка) и 6-цилиндровые двигатели (в сборе)

В 2006 Году, Beijing Benz Automotive Co., Ltd. (BBAC), совместное предприятие Daimler и его китайский партнер BAIC, началось местное производство Mercedes-Benz легковых автомобилей в Пекине. Производство C-Класс седан началось весной 2008 года. С мая 2010 года, BBAC занимается производством нынешний E-класс в длинной версии, которая специально адаптирована к потребностям китайского рынка. В декабре 2011 года завод начал производство третьей модели GLK. В сентябре 2012 года, был заложен краеугольный камень будущего производства компактных автомобилей. В 2013 году новый двигатель завод начал производить двигатели для Mercedes-Benz автомобили и микроавтобусы, которые изготавливаются в Китае. Кроме того, новый R&D центра будет направлена на тестирование и адаптация транспортных средств. Это также позволит провести R&D деятельности в сотрудничестве с поставщиками................. Вот теперь точно неизвестно где сделаны наши мерсы :)

Опубликовано

бля, все-таки Китайцы молодцы!!!

Могу копать, могу не копать, но не копать у меня получается лучше.

Опубликовано

И вот теперь встает вопрос,на хрена покупать аналоги и оригинал запчасти из европы,если китайские запчасти дешевле и это не подделка,а настоящии лецинзионный продукт.

Опубликовано

Поэтому мерсы уже давнооооо не те мерсы.... Печально но факт.

Опубликовано

не подделка,а настоящии лецинзионный продукт.
будет стоить не меньше, чем

аналоги и оригинал запчасти из европы
:(
Опубликовано

опять началось засорение темы? это можно и в курилке перекурить.

Опубликовано

и это правильно, пора переходить в курилку.

Могу копать, могу не копать, но не копать у меня получается лучше.

Опубликовано

не подделка,а настоящии лецинзионный продукт.

будет стоить не меньше, чем
Сейчас осваиваю рендж ровер,так вот выбор по запчастям не велик либо оригинал ,а это 90 процентов всех запчастей либо немецкии лецензионый китай фирмы фебест,оптимал,разница по цене 2 раза,но правда всего лишь 10 процентов ,остальное только оригинал,так что покупаю б.у л.р можно быть увереным что полих запчастей на нем нет,90 процентов оригинал :) и самое интересное что у ОД цены на запчасти на 15 процентов ниже чем в любом интернет магазине в том числе и в экзисте,да и срок поставки максимум 3дня. А вообще правильно,пора переходить в курилку.
Опубликовано

Сегодня сделали диагностику Лаунчем, старуха обломалось ввиду сильной занятости хозяина. Обороты плавают, то заглохнет, то вроде норм работает и так по кругу. Ошибка Р1661 (низкое напряжение на 1 форсунке), с блока импульс 90 в. уходит на форсу. Сперва я подумал ну бля сто баллов хана форсунке, но погуглив попал на эту тему http://forum.autocd.ru/viewtopic.php?f=35&t=38347&sid=f1a1e9be2abfd5504510d7ab2778e384, что очень схожа с моей проблемой и тут я задумался на сколько я попал ......

Учитывая что проблема эта была уже ранее, думаю что проблема как минимум в проводке, что вряд ли, но проверю, если мозги - это капец просто.

A989BH11.png

Опубликовано

Ну а донорские мозги если они 100% найти реально?

one life one love

Есть Star

Опубликовано

Ну а донорские мозги если они 100% найти реально?

Думаю реально, к сожалению весь процесс замены мозгов не знаю, так читал где то в темах, по моему на до рестайлах очень гемерно, в моем варианте не знаю пока, если ссылка есть кинте.

A989BH11.png

Опубликовано

Тут без старухи точно не обойтись. Даже если приговор подтвердится, человек со старухой может почитать wis. А еще спроси Gesha он точно знает.

one life one love

Есть Star

Опубликовано

Тут без старухи точно не обойтись. Даже если приговор подтвердится, человек со старухой может почитать wis. А еще спроси Gesha он точно знает.

Ок. спс.

A989BH11.png

Опубликовано

Попробую так. методом исключения: старуха, замена 1 форсы, проводка, блок предохранителей, мозги. Думаю если все действительно все плохо то стар тоже самое покажет, а скорее всего глюк чипа, можно попробовать прожарить его?

A989BH11.png

Опубликовано

Блок CDI просто так не подоткнуть :( - сразу старт эрор. Похоже нужны манипуляции с паяльником :(

Александр

ML-270, рест. 2004г., WDC1631131A510652 E473MO178.png

Опубликовано

Блок CDI просто так не подоткнуть :( - сразу старт эрор. Похоже нужны манипуляции с паяльником :(

Да понимаю, что в худшем случае придется отпаивать ноги у чипа, сливать прошиву и заливать так же на донора. Была бы инстукция .....

A989BH11.png

Опубликовано

Форсунку поменял первую, ничего не изменилось, добавились еще ошибки Р1482 (выходной каскад накала) и Р0202 (обрыв на 2 форсунке), снял мозги, разобрал на вид все в порядке, проводку и разъемы посмотрел, тоже ни чего подозрительного, короче склоняюсь к глючному блоку, хочу б\у заказать и перекинуть флешку свою с моторника на донора.

A989BH11.png

Опубликовано

Сегодня контакты поджал в фишках форс, проводку от форс до эбу прозвонил (без нагрузки) все звонятся, подключил эбу, поставил заряженный аккум, завел. Работала 20 мин без проблем, померял на эбу приходит 14.6 в. Снял аккум завтра повезу на проверку. Если все норм с аккумом, разряжу его, буду пробовать на полу разряженном мерять питание.

A989BH11.png

Опубликовано

аккум проверили он впоряде, разрядил аккум почти полностью, все заводится, пока глюка не было, в понедельни попробую поездить. Заметил еще одну странную фишку, на заведенном моторе уже 2 раз все стрелки на приборной панели падают вниз на 0 потом сразу в исходное положение, такое ощущение что сам ЭБУ что то ребутит.

A989BH11.png

Опубликовано

аккум проверили он впоряде, разрядил аккум почти полностью, все заводится, пока глюка не было, в понедельни попробую поездить. Заметил еще одну странную фишку, на заведенном моторе уже 2 раз все стрелки на приборной панели падают вниз на 0 потом сразу в исходное положение, такое ощущение что сам ЭБУ что то ребутит.

Как-то у меня тоже такое было один раз, но больше не повторялось, при этом машина даже не заглохла - как ехала в горку, так и дальше поехала. Почему такое может происходить, тоже интересно.

Опубликовано

Силовой провод на стартер смотрели? В районе спуска от моторного щита к стартеру.

Опубликовано

Силовой провод впорядке, вчера все собрал обратно, капец работает как часы, поездил по городу. Нашел автоэлектрика, короче катаюсь до 1 такого глюка, потом машину к нему.

A989BH11.png

Опубликовано

Здравствуйте дорогие мои слушатели! :) продолжаю мой отчет. 3 день работает как часы, при чем заметил что ушел еще и трабл ранее наблюдаемый (на холодную заводилась не сразу, а на 3-5 секунде, а на горячую еще больше). Сейчас с 1 сек, как когда я ее покупал. Получается что я поджал контакты на форсах, перетыкал все релюхи и разъемы ЭБУ и поменял 1 форсунку (которую забраковали на МБ Киров в связи с тем что форсунка текла) на самом деле она нихрена не течет. Ну да ладно и флаг им в руки.

 

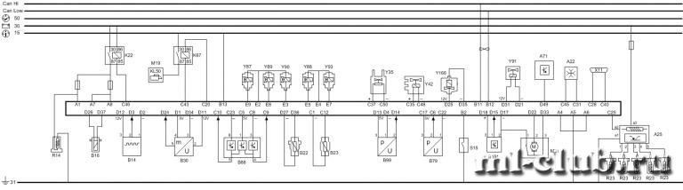
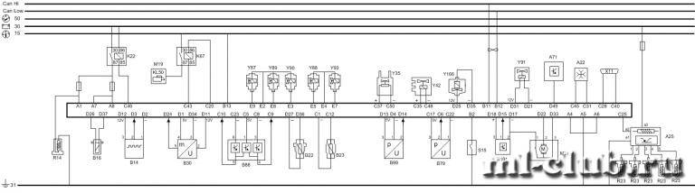
В общем то я не надеюсь на лучшее и готовлюсь таки к этому глюку еще раз. Вот надыбал схемы:

 

post-7706-0-69411100-1410699263_thumb.jp

 

post-7706-0-63243700-1410699292_thumb.jp

 

post-7706-0-57023600-1410699308_thumb.jp

 

post-7706-0-84942000-1410699322_thumb.jp

 

post-7706-0-77843500-1410699345_thumb.jp

 

Все как бы ничего, но по схеме реле К22 у меня не установлено, но гнездо есть под него. И проводка форсунок на разъем ЭБУ не совсем соответствует этой схеме. Я могу только предположить это схема дорестайла или другой кузов? или я ошибаюсь. У кого ни будь есть актуальная схема такая же на рестайл?

A989BH11.png

Опубликовано

Я могу только предположить это схема дорестайла или другой кузов? или я ошибаюсь. У кого ни будь есть актуальная схема такая же на рестайл?

Скачай StarFinder с рутрекера, там все есть, у меня просто на работе он не запускается (работает только в 32-х битной винде).
Опубликовано

ыыы! VirtualBox рулит ....

A989BH11.png

Для публикации сообщений создайте учётную запись или авторизуйтесь

Вы должны быть пользователем, чтобы оставить комментарий

Создать аккаунт

Зарегистрируйте новый аккаунт в нашем сообществе. Это очень просто!

Регистрация нового пользователя

Войти

Уже есть аккаунт? Войти в систему.

Войти
×
×
  • Создать...

Важная информация

Мы разместили cookie-файлы на ваше устройство, чтобы помочь сделать этот сайт лучше. Вы можете изменить свои настройки cookie-файлов, или продолжить без изменения настроек. Условия использования