Перейти к содержанию

Сигналит самопроизвольно сигнал W163


Рекомендуемые сообщения

Опубликовано

Добрый день,уважаемые форумчане,подскажите пожалуйста.В движении,иногда на дорожных неровностях,иногда при повороте руля,иногда при трогании с места,происходит самопроизвольная подача сигнала(тихо,прирывисто,когда один раз,когда несколько раз подряд).При этом,со стороны ног переднего пассажира(приблизительно),раздается щелчок,похожий на срабатывание реле.Никто не сталкивался,что это?спасибо

Опубликовано

странно, реле под капотом от сигнала, вообще чудеса какие-то, может где-то проводок огалился  и контачит где-то??

Опубликовано

странно, реле под капотом от сигнала, вообще чудеса какие-то, может где-то проводок огалился  и контачит где-то??

Скорее всего...мож с предохранителем че не так....

Опубликовано

И ещё при повороте руля,стало на мгновение замолкать радио,и на дрыжках тоже,но потом работает,хотя если играет диск,или USB,такого эффекта нет

Опубликовано

тогда бы я снял подушу и посмотрел на состояние проводов и крепления к сигналу проводки.

Опубликовано

тогда бы я снял подушу и посмотрел на состояние проводов и крепления к сигналу проводки.

шАглАсный!!!

Опубликовано

именно в том месте очень часто происходит замыкание и он сам по сибе начинает дудеть.

<p>8 923 I81 8121 Сбили с ног!? - сражайся на коленях! Встать не можешь!? - лежа наступай!

Опубликовано

Спасибо всем:-)

Опубликовано

спасибо всем?...а в чем была причина?  в моем случае добавлю,что одновременно подмигивает светодиод переключателя "противотуманки" и это наводит на мысль,что барахлит электронная часть (непропай) ,но в каком блоке - еще не разобрался

Опубликовано (изменено)
В 27.07.2025 в 10:06, tete сказал:

спасибо всем?...а в чем была причина?  в моем случае добавлю,что одновременно подмигивает светодиод переключателя "противотуманки" и это наводит на мысль,что барахлит электронная часть (непропай) ,но в каком блоке - еще не разобрался

В твоём случае требуется ремонт aam, у тебя выгорел какой то сдвиговый регистр из 4х..

Не надо лазить с плюсом в мамки реле на монтажном блоке. Если aam включил какое-то реле, а потом мы берём, его вынимаем, один висит плюс, а другой сигнальная масса, и как только мы на массу которая включается чипом внутри аам подаём плюс чип сразу же выгорает. И включается само что угодно. Моргает, птфки включаются, повороты могут гореть самопроизвольно. Дворники включаются и самый явный показатель, это включается клаксон.

https://www.drive2.ru/l/659921657384668468/

Изменено пользователем XrTV

Мыловод до мозга костей

Опубликовано
В 29.10.2025 в 12:35, XrTV сказал:

В твоём случае требуется ремонт aam, у тебя выгорел какой то сдвиговый регистр из 4х..

Не надо лазить с плюсом в мамки реле на монтажном блоке. Если aam включил какое-то реле, а потом мы берём, его вынимаем, один висит плюс, а другой сигнальная масса, и как только мы на массу которая включается чипом внутри аам подаём плюс чип сразу же выгорает. И включается само что угодно. Моргает, птфки включаются, повороты могут гореть самопроизвольно. Дворники включаются и самый явный показатель, это включается клаксон.

https://www.drive2.ru/l/659921657384668468/

Да не так там всё работает, и не выгорит по твоей схеме ничего. Силовой выход управления подтянут через реле на +12, при включении реле этот выход коммутируется на землю через ключ (не важно кмоп или ттл). Параллельно выходу ещё защитный диод стоит от индуктивной составляющей.

 

На время выдернуть реле надо, если не будет сработок, то вставить реле и отрубить клаксон в районе улитки, под кожухом руля. Дальше всё очевидно. Реле желательно заведомо рабочее использовать.

Опубликовано (изменено)
11 часов назад, Dimebag сказал:

Да не так там всё работает, и не выгорит по твоей схеме ничего. Силовой выход управления подтянут через реле на +12, при включении реле этот выход коммутируется на землю через ключ (не важно кмоп или ттл). Параллельно выходу ещё защитный диод стоит от индуктивной составляющей.

 

На время выдернуть реле надо, если не будет сработок, то вставить реле и отрубить клаксон в районе улитки, под кожухом руля. Дальше всё очевидно. Реле желательно заведомо рабочее использовать.

Никаких диодов там в аам на выход не стоит. Защиты никакой нет соовсем. 8 битный сдвиговый регистр hip0050ip установлен и он напрямую землёй рулит и на реле. Не ну я не спорю что он минуя реле может через диагностику дворники включать это да. Но если на нем устроить КЗ, что я собственно и сделал диодом, выгорела микросхема сразу же. Замкнул просто диодом 85 и 86 контакт реле. И привет Андрей.

 

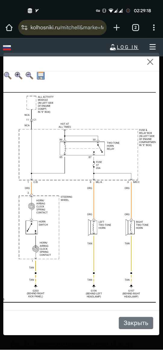
Если уж лезти в дебри, 11 контакт horn system как раз таки и есть управление клаксоном

 

Screenshot_20251031-022259_.png

Сигнал ушел в aam точнее не так, сигнал висит от улитки на реле и на аам на регистре, и вышел из aam на пин 11, а кто включает пин 11? Правильно сдвиговый регистр...

Screenshot_20251031-022919_com.android.chrome.thumb.png.3c0c0bf21b950da77244b47d5b4247ab.png

Изменено пользователем XrTV

Мыловод до мозга костей

Опубликовано
6 часов назад, XrTV сказал:

Никаких диодов там в аам на выход не стоит. Защиты никакой нет соовсем. 8 битный сдвиговый регистр hip0050ip установлен и он напрямую землёй рулит и на реле. Не ну я не спорю что он минуя реле может через диагностику дворники включать это да. Но если на нем устроить КЗ, что я собственно и сделал диодом, выгорела микросхема сразу же. Замкнул просто диодом 85 и 86 контакт реле. И привет Андрей.

 

Если уж лезти в дебри, 11 контакт horn system как раз таки и есть управление клаксоном

 

Screenshot_20251031-022259_.png

Сигнал ушел в aam точнее не так, сигнал висит от улитки на реле и на аам на регистре, и вышел из aam на пин 11, а кто включает пин 11? Правильно сдвиговый регистр...

Screenshot_20251031-022919_com.android.chrome.thumb.png.3c0c0bf21b950da77244b47d5b4247ab.png

Ты даже не понял о чем речь ведется.

Посмотри на досуге что такое самоиндукция, прежде чем зарываться в бессмысленном споре и не позориться. Без обид.

Опубликовано
2 часа назад, Dimebag сказал:

Ты даже не понял о чем речь ведется.

Посмотри на досуге что такое самоиндукция, прежде чем зарываться в бессмысленном споре и не позориться. Без обид.

А причем здесь самоиндукция? Без обид, я как бы знаю о чем говорю. Само индуцировать может где нибудь на АвтоВАЗе, но уж точно не на мерсах. Это невозможно. Повторюсь ещё раз если мы вынимаем реле клаксона, когда он орет, а после вставляем обратно реле и снова орет, и предварительно ещё проверяем 85 и 86 контакт. Тут только 2 варианта развития событий, первый вариант, либо (просто фантастика) что перетерся шлейф в улитке, и замкнул на gnd, или сам провод обнялся где то на кузов. Если этого нет, линия вся проверена допустим кабель треккером, то второй вариант - AAM. Проверяется легко. Откидываем АКБ, автоконтролькой, тестером, да хоть гвоздем с лампочкой смотрим нет ли замыкание на кузов или есть. Если есть, безоговорочный ремонт или замена аам (при учёте того, что вся цепь исправна). Тоже можно исключить, сузить поиск подозреваемых, откинуть aam вставить реле и посигналить, при этом подкинув АКБ.

У этого мерса, на минутку, перепахал все и вся, я знаю его как свои пять пальцев, и не стал бы вступать в такой спор.

У этого мерса есть состояние, либо компонент работает, либо не работает.

Для затравочки, bosch mp7.0 и bosch me2.0 имеют одинаковый драйвер бензонасоса.

На минуточку, откуда в ладе может взяться 24 вольта вместо 12 при включенном зажигании? Тут уж не просто самоиндукция, тут капитальный высокочастотный шум с умножением напряжения.

 

Я вообще тоже изначально думал на самоиндукцию, засунул диод параллельно реле, добил подбитое, но разобрался, покурил даташиты, повызванивал плату, повызванивал живые регистры и мертвые, сравнил показания с прибора и сделал вывод, чем старее hw тем проще сделать.

Мыловод до мозга костей

Опубликовано (изменено)

... с "отступлением" жары,сей дефект больше не проявлялся и потому я так ничего и не сделал,но хочу добавить ,что в моем случае (ведь машина досталась мне,т.е. моей сестре -  подарок на 60-летие с массой неисправностей,в т.ч. и клаксон) я не смог открутить руль и нашел обходной вариант, подсоединив контактный провод к переключателю и пожертвовав круиз-контроль,где в трех положениях,стоит его задеть,бибикает...

Изменено пользователем tete
чтобы текст был более обстоятельным

Для публикации сообщений создайте учётную запись или авторизуйтесь

Вы должны быть пользователем, чтобы оставить комментарий

Создать аккаунт

Зарегистрируйте новый аккаунт в нашем сообществе. Это очень просто!

Регистрация нового пользователя

Войти

Уже есть аккаунт? Войти в систему.

Войти
×
×
  • Создать...

Важная информация

Мы разместили cookie-файлы на ваше устройство, чтобы помочь сделать этот сайт лучше. Вы можете изменить свои настройки cookie-файлов, или продолжить без изменения настроек. Условия использования