Перейти к содержанию

Предохранитель на насос рецеркуляции


Рекомендуемые сообщения

Опубликовано
Дай номерок насоса и скока стоит??? icon_sad.gif

viewtopic.php?f=52&t=9179

Bosch 0 392 020 034 цена в Exist (поставка 0 дней) 1 378,71р.

угу он самый..

мне только не вариант ждать с москвы поставки и я у нас купил за 2 т.р.

Опубликовано
Все решил как оказалось на рестайлинге насос включается не так как на до рестайле. Он работает только на зажигании а потом он уменьшает напряжение на него....

проверил цешкой питание есть поставил насос от опеля

все подошло без проблем.. работает...

Переведи не вкури ни чего, у меня то же рейстал

В общем так, на дорестайле если просто влючить зажигание и выключить то он будет работать на любой температуре, так по крайней мере написанно в книгах и предохраняется он 41 предохранителем и 19 реле.

На рестайле нет этих 41 ии 19, он управляется болоком климата и включает его взависимости от температуры двигателя, судя по моим замерам он еще и выдает разное напряжение на него, для регулирование мощьности роботы насоса. Поскольку у меня питание было, то я не искал дольше, но пока читал я выяснил, что предохранитель на него в ногах пассжира, какой не довыяснил icon_sad.gif

вот как то так.. всё вышло.. насос просто поменял и все.. заработало щас жужит после остановки и выключения мотора, но если машина простояит немного и мотор остынет то он при включени зажагания и выключении может подать только 9 вольт и мотор работает практически бесшумно.

Во всем могу ошибаться.. пишу только свои наблюдения и свои замер цешкой.. (мультитестер)

Опубликовано
Вот теперь стало понятней, мерси боку.

ноу проблемс icon_biggrin.gif чем могу тем помогу.. )))

С РОЖДЕСТВОМ!!! ВСЕХ!!!

Опубликовано
На рестайле нет этих 41 ии 19, он управляется болоком климата и включает его взависимости от температуры двигателя, судя по моим замерам он еще и выдает разное напряжение на него, для регулирование мощьности роботы насоса. Поскольку у меня питание было, то я не искал дольше, но пока читал я выяснил, что предохранитель на него в ногах пассжира, какой не довыяснил

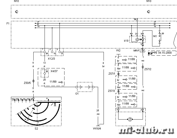
Эта схема подключения без 41 преда и 19 реле идет на американцах 350-х для Канады, как бы мулька для холодного климата(взаимосвязь и работа совместно с блоком климата)

Опубликовано
На рестайле нет этих 41 ии 19, он управляется болоком климата и включает его взависимости от температуры двигателя, судя по моим замерам он еще и выдает разное напряжение на него, для регулирование мощьности роботы насоса. Поскольку у меня питание было, то я не искал дольше, но пока читал я выяснил, что предохранитель на него в ногах пассжира, какой не довыяснил

Эта схема подключения без 41 преда и 19 реле идет на американцах 350-х для Канады, как бы мулька для холодного климата(взаимосвязь и работа совместно с блоком климата)

Да я уже это выяснил, и сделал все... все работает отлично..

Опубликовано

Мужики, у меня проблема вот такого плана. Каждые два дня сгорает предохранитель насоса рециркуляции, плюсовой провод нормальный, я имею ввиду контактная группа с насосом. может ли пред. гореть из-за плохой массы допустим? может еще какая причина? на улице -20, мерзну. скоро обещаю -40, вообще в пингвина превращусь! :bu:

<p>8 923 I81 8121 Сбили с ног!? - сражайся на коленях! Встать не можешь!? - лежа наступай!

Опубликовано

@Сибиряк,

Скорее всего сам насос замыкает(внутри)щеткам приходит конец,из-за этого и пред горит.Купи новый насос и поставь-на 99% уверен что пред гореть не будет.Номер насоса: 0 392 020 034

Так я выглядел когда был маленьким-сейчас подрос,привычки остались....
Лучше быть здоровым и богатым-чем бедным и больным......
MLClubservice-Сочи ул.Искра 32(Запчасти,ремонт), Mlclubservice-2 Адлер ул.Апшеронская 87

Опубликовано

Михаил, привет! спасибо за совет! дело в том, что насос новый, месяц назад поставил, правда газелевский.

<p>8 923 I81 8121 Сбили с ног!? - сражайся на коленях! Встать не можешь!? - лежа наступай!

Опубликовано

А предохранитель штатного номинала,до тебя не переставляли,точно?А может на газельную нужен мощнее?Сила тока у них эдентична с Бошем?Первое незамысловатое,что в голову приходит:-) !Если будешь менять помпу,ставь 004-вечная(где-то есть тема).

Опубликовано

посмотрел в газелевском мануале номинал преда 20а, ставил и 20 и 25 все равно горят. про помпу надо поискать темку.

<p>8 923 I81 8121 Сбили с ног!? - сражайся на коленях! Встать не можешь!? - лежа наступай!

Опубликовано

Я слышал,что у газельной отвратительная герметичность,ОЖ запросто может попадать на мотор,а оттуда на контакты.Ну,Володь,все это рассуждения,конечно,но первым делом нужно бы снять помпу и осмотреть ее и контактную фишку.

Опубликовано

буду разбираться, отпишусь.

<p>8 923 I81 8121 Сбили с ног!? - сражайся на коленях! Встать не можешь!? - лежа наступай!

Опубликовано

Я газелевский на 124 себе ставил 3 месяца и усё- умер. Правильно пишут герметичность у него ху.... , короче почти нет её

X541HY64.png

Опубликовано

Михаил, привет! спасибо за совет! дело в том, что насос новый, месяц назад поставил, правда газелевский.
Месяц для газелевской-это уже очень много....

Так я выглядел когда был маленьким-сейчас подрос,привычки остались....
Лучше быть здоровым и богатым-чем бедным и больным......
MLClubservice-Сочи ул.Искра 32(Запчасти,ремонт), Mlclubservice-2 Адлер ул.Апшеронская 87

Опубликовано

посмотрел в газелевском мануале номинал преда 20а, ставил и 20 и 25 все равно горят. про помпу надо поискать темку.

 

10А номинал.

Опубликовано

Этот насос на одном преде с насосом охлаждения мозгов? Проверить второго потребителя и его проводку заодно.

Воткни временно промежуточный пред меньшего номинала у самого насоса, рискуешь блоком управления климатом :(

Александр

ML-270, рест. 2004г., WDC1631131A510652 E473MO178.png

Опубликовано

Что это за хитрая схема для Канады? Я ее в висе не нашел.

Опубликовано

 

посмотрел в газелевском мануале номинал преда 20а, ставил и 20 и 25 все равно горят. про помпу надо поискать темку.

 

10А номинал.

 

10 А, где?  http://automn.ru/gaz-2705/gaz-34964-10.m_id-4478.m_id2-4479.html

<p>8 923 I81 8121 Сбили с ног!? - сражайся на коленях! Встать не можешь!? - лежа наступай!

Опубликовано

Да я не про Газель, я о наших машинах.

Опубликовано

на крышке предов 20 А. а 20 А и для газелевского насоса

<p>8 923 I81 8121 Сбили с ног!? - сражайся на коленях! Встать не можешь!? - лежа наступай!

Опубликовано

:bn:

 

post-13763-0-39735800-1390587525_thumb.j

Опубликовано

Подниму тему. Имелся перегоревший насос, клеммник сплавился в кучку. Поставил Бошевский насос от какого-то опеля, фишку поменял. На плюсе все время порядка 9ти вольт, насос не жужжит. При подаче 12в - все ок. Америкос, рестайл, реле 19 и предохранителя 41 нет и  в помине. Как лечить?

Опубликовано

Теперь мне сюда:) Европеец,рестайл,2002г.,МЛ320. Рециркуляционный насос качает и качает, не выключается вообще. В блоке предов в моторном отсеке реле19 и пред41 физически отсутствуют. На схеме (крышке) они есть, но не подписаны. На той же крышке слов похожих  на pump нет, только fuel pump.

В ногах пассажира тоже на схеме ничего не указано. Где копать? 

Для публикации сообщений создайте учётную запись или авторизуйтесь

Вы должны быть пользователем, чтобы оставить комментарий

Создать аккаунт

Зарегистрируйте новый аккаунт в нашем сообществе. Это очень просто!

Регистрация нового пользователя

Войти

Уже есть аккаунт? Войти в систему.

Войти
×
×
  • Создать...

Важная информация

Мы разместили cookie-файлы на ваше устройство, чтобы помочь сделать этот сайт лучше. Вы можете изменить свои настройки cookie-файлов, или продолжить без изменения настроек. Условия использования